Купить циклон СК-ЦН-34-400 в Барнауле

Цена с НДС:
37 000 рублей
Цена с НДС на циклон СК-ЦН-34-400 с доставкой в
от 37 000 рублей
Условия в
В наличии на складе
Доставка ТК по России и Казахстану
Безналичный расчет
Есть в наличии
СК ЦН 34 циклон
Циклон СК ЦН 34
СК ЦН 34 циклон
Видеообзор
Внутренний диаметр корпуса циклона ЦН 400 мм
Производительность циклона от 680 до 1580 м³/ч
Технические
характеристики
Описание
товара
Сертификаты
и гарантии

Технические характеристики

Тип циклона Циклон СК-ЦН
Вид СК-ЦН-34-400
Марка СК-ЦН-34
Массовая концентрация пыли в очищаемом газе, не более: для слабослипающихся пылей 1000 г/м³
Массовая концентрация пыли в очищаемом газе, не более: для среднеслипающихся пылей 250 г/м³
Температура рабочей среды до 400 °С
Коэффициент гидравлического сопротивления 1270
Внутренний диаметр корпуса циклона ЦН 400 мм
Количество циклонов в группе 1 шт
Площадь сечения цилиндрической части корпуса (группы корпусов) 0.13 м²
Скорость 1.5-3.5 м/с
Рабочее сопротивление 1886-10268 Па
Камера очищенных газов Нет
Вид пылесборного бункера Пирамидальный
Количество пылесборных бункеров 1 шт
Объем пылесборного бункера 0.12 м³
Размер пылевыгрузного окна бункера 150х150 мм
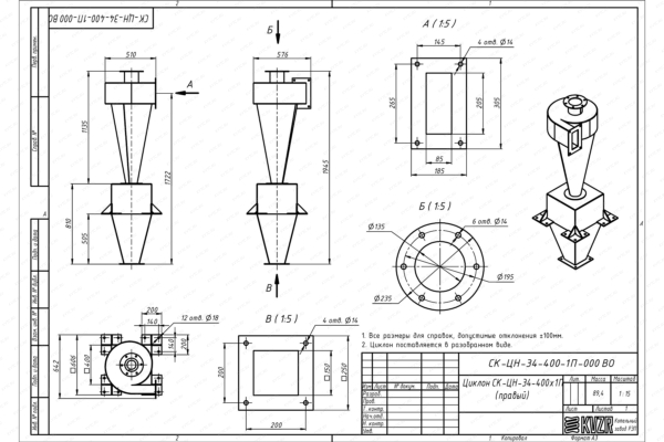
Размеры циклона ЦН (с учетом бункера): длина*ширина*высота 600х600х1945 мм
Масса блока циклонов 90 кг
Производительность циклона от 680 до 1580 м³/ч
Чертеж циклона СК-ЦН-34-400-1П
Циклон СК-ЦН-34-400-1П чертеж

Циклон СК ЦН 34 400 в Барнауле

Циклон СК-ЦН-34-400 предназначен для улавливания твердых частиц после реакторов (технологический газ) и вспомогательных систем (пневмотранспорт, газотранспорт, аспирация, пневмоуборка) реакторов сажевого производства, технического углерода. Предназначены для очистки от твердых частиц сажегазовой смеси после реакторов сажевого производства, газовоздушной смеси систем пневмотранспорта, аспирации и пневмоуборки. Применяются в производстве технического углерода, установках каталитического крекинга нефтепродуктов, дегидрирования бутана. Системы очистки газового теплоносителя после распылительных сушилок дрожжевого производства гидролизных предприятий. Возможно использование во взрывоопасной, коррозионной среде. Спирально-конические циклоны более энергоёмкие, но наиболее эффективные при очистке газов от мелко-дисперсных пылей и их следует использовать при ограничениях по габаритам. Циклоны СК-ЦН-34 обычно не применяются в групповом исполнении, так как имеют большие габаритные размеры.

Конструкция циклонов СК-ЦН-34-400

Конические циклоны состоят из удлиненного конического корпуса с входным и выходным патрубками, спирального раскручивателя потока воздуха, а также затвора для удаления скопившейся пыли. Для большего удобства монтажа и эксплуатации, а также совместимости с различными системами вентиляции эти устройства могут иметь правое или левое закручивание потока. "Правым" принято называть вращение газового потока в циклоне по часовой стрелки, если смотреть со стороны выхлопной трубы, "левым" - вращение против часовой стрелки.

Основные параметры циклонов

Циклон СК-ЦН-34-400 имеет самую высокую степень очистки, но в тоже время и наибольший коэффициент сопротивления из всех конических циклонов с улиточным завихрителем.

Допустимая запылённость газа:

  • для слабослипающихся пылей - не более 1000 г/м3;
  • для среднеслипающихся пылей - не более 250 г/м31000 г/м3.

Температура очищаемого газа до 250 °C

Рекомендуемая скорость очищаемого газа на входе в циклон, 10 - 17 м/сек

Максимальное давление, 1700 Па

Коэффициент гидравлического сопротивления на входе 22,6

Эффективность очистки (от пыли d=10 мкм, плотностью 2,7 г/см3) до 97 %

Рекомендуемая скорость газа 1,4-1,7 м/с.

Обозначение

Например - циклон СК-ЦН-34-400

34 - угол наклона входного патрубка относительно горизонтали (град.);

400 - внутренний диаметр цилиндрической части пылеуловителя.

Технические характеристики циклонов

Наименование Производительность по воздуху, м3 Масса Диаметр, мм Высота, мм
С бункером Без бункера
Циклон СК-ЦН-34-600 1730 - 2540 175 106 400 1174
Циклон СК-ЦН-34-700 2350 - 3460 205 131 500 1468
Циклон СК-ЦН-34-800 3070 - 4520 239 169 600 1740
Циклон СК-ЦН-34-900 3890 - 5730 412 284 700 2022
Циклон СК-ЦН-34-1000 4800 - 7100 470 343 800 2305
Циклон СК-ЦН-34-1200 6920 - 10200 615 476 900 2578

Для того, что бы купить циклон СК-ЦН-34-400 в Барнауле вы можете сделать заявку в отдел сбыта по телефону 8-800-700-06-43 , либо оформить заявку он-лайн. Инженеры-консультанты дадут консультацию и рассчитают стоимость доставки до вашего региона и населенного пункта. Транспортирование циклонов ЦН-34 может осуществляться автотранспортом, ж/д полувагонами и речным транспортом.

Сертификат для золоуловителей
Сертификат на золоуловители

Отзывы о продукции

Другая похожая продукция

60 000 ₽
31 000 ₽
36 000 ₽
54 000 ₽