Циклоны ЦН-11-600-2СП в Барнауле
характеристики
товара
оборудование
и гарантии
Технические характеристики циклона ЦН-11-600-2СП
Промышленные циклоны ЦН-11-600-2СП в Барнауле
Циклон ЦН 11 600 2СП предназначен для сухой очистки воздуха и газов от взвешенных частиц сухой пыли выделяющихся при сушке, обжиге, агломерации, а также в различных помольных и дробильных установках, при транспортировании сыпучих материалов, а также летучей золы при сжигании топлива. Циклон применяется также для аспирации воздуха в различных отраслях промышленности - черной и цветной металлургии, химической, нефтяной и машиностроительной промышленности, промышленности строительных материалов, энергетике и т.д.
Циклон ЦН-11-600х2СП является пылеуловителем, который имеет достаточно простую конструкцию, не требует расходных материалов, а потому их эксплуатация достаточно дешева. Простота конструкции является причиной невысокой цены. Важно отметить, что циклон ЦН эффективно использовать для безотходного производства, так как некоторые виды пыли, что собраны этим пылеуловителем возможно подвергнуть переработке.
Принцип действия циклона
Принцип действия циклона ЦН-11-600 2СП следующий: поток запылённого газа вводится в циклон через входной патрубок тангенциально в верхней части. В аппарате формируется вращающийся поток газа, направленный вниз, к конической части аппарата. Вследствие силы инерции (центробежной силы) частицы пыли выносятся из потока и оседают на стенках аппарата, затем захватываются вторичным потоком и попадают в нижнюю часть, через выпускное отверстие в бункер для сбора пыли. Очищенный от пыли газовый поток затем двигается снизу вверх и выводится из циклона через соосную выхлопную трубу.
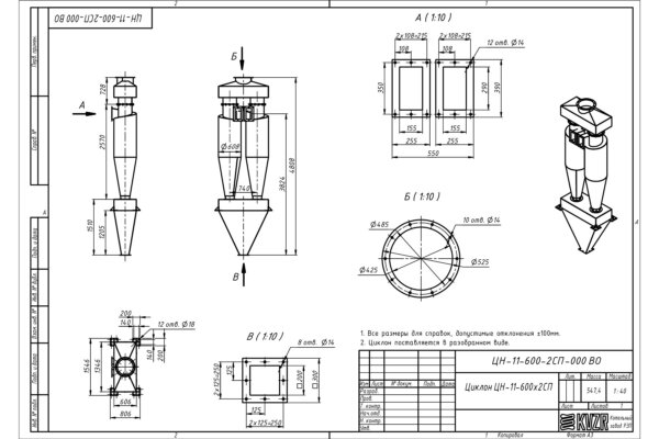
Конструкция циклона ЦН-11-600-2СП
Конструкция циклона ЦН 11 600-2СП рассчитана на температуру до 4000 °C и разряжение (давление) 5(500) кПа (кгс/м2). Циклоны изготавливаются как левого, так и правого исполнения. Они могут устанавливаться как на всасывающей линии вентилятора, так и на нагнетании. В зависимости от этого одиночный циклон комплектуется с улиткой на выходе очищенного воздуха или зонтом. При очистке воздуха от абразивной пыли, вызывающей износ крыльчаток вентилятора, циклоны рекомендуется устанавливать перед вентилятором.
В зависимости от пропускной способности по воздуху (газу) и условий применения циклоны ЦН-11-600х2СП изготавливаются одиночного или группового исполнения - из двух, трех, четырех, шести и восьми циклонов. Групповые циклоны могут быть с камерой очищенного воздуха в виде "улитки" или в виде сборника, а одиночные - только с улиткой.
В группе циклонов патрубки с выходом очищенного воздуха могут объединяться сборным коллектором с выходом воздуха вертикально и системой улиток каждого циклона, объединенных общим фланцем.
Обозначение циклона ЦН-11-600-2СП
- ЦН - циклон НИИОгаза;
- 11 - угол наклона входного патрубка относительно горизонтали (град.);
- П, Л - "Правое" ("Левое") вращение газа;
- число после тире (600) - внутренний диаметр цилиндрической части циклона (мм);
- следующая цифра (2) - количество циклонов в группе;
- С - с камерой очищенного воздуха в виде сборника;
- П - пирамидальная форма бункера.
Циклоны ЦН-11, в зависимости от требований предъявляемых к очистке газа, могут иметь либо самостоятельное применение, либо использоваться в качестве агрегатов первой или второй ступеней очистки, в сочетании с другими газоочистными агрегатами.
Основные параметры работы циклонов ЦН-11-600-2СП
- Массовая концентрация пыли в очищаемом газе, г/м3:
для слабослипающихся пылей до 1000
для среднеслипающихся пылей 250
- Температура очищаемого газа, 0 °C до 400
- Давление, кПа до 5
- Коэффициент гидравлического сопротивления циклонов:
для одиночного исполнения 147
со сборником 182
В технической характеристике циклона ЦН приведены значения производительности, отнесенные к скорости в цилиндрической части циклона V=2,5 и 4,0 м/с. В обычных условиях оптимальной считается скорость 4,0 м/с. Скорость 2,5 м/с рекомендуется принимать при работе с абразивной пылью.
Циклон ЦН может изготавливаться во взрывобезопасном исполнении (конструктивно предусмотрены взрывные клапана, и бункер имеет минимальные размеры во избежание накопления взрывоопасной пыли).
Материал для изготовления циклона ЦН 11 600 2СП - углеродистая сталь при температуре окружающей среды до 40 °С. При температуре ниже - 40 °С применяют низколигированные стали.
Циклоны ЦН-11-600-2СП поставляются в разобранном виде.
Купить циклоны ЦН-11-600-2СП в Барнауле
Для того чтобы купить циклоны ЦН-11-600-2СП в Барнауле вы можете сделать заявку в отдел сбыта по телефону 8-800-700-06-43, либо оформить заказ онлайн. Инженеры-консультанты дадут консультацию и рассчитают стоимость доставки. Транспортирование может осуществляться автотранспортом, ж/д полувагонами и речным транспортом.
Сертификаты и гарантии циклона ЦН-11-600-2СП