Производство промышленных водогрейных и паровых котлов

Производственная котельная с паровыми котлами в Барнауле

Котельная с паровыми котлами в основном используется в промышленности для обеспечения паром технологических нужд Вашего производства. Котельные могут использовать различные виды топлива. Твердое топливо это каменный и бурый уголь, торф, дрова, отходы деревоперерабатывающих предприятий и отходы от сельскохозяйственных культур. Паровые котлы на жидком топливе используют мазут, дизельное топливо, отработанные масла. Газовые котлы используют в своей работе природный и сжиженный газ, попутный нефтяной.

Котельная с паровыми котлами предназначена для производства насыщенного пара для выполнения технологических процессов на промышленных предприятиях, в пищевой промышленности, в сельскохозяйственном производстве, деревообрабатывающей промышленности, в медицине, в легкой и целлюлозно-бумажной промышленности, в топливном хозяйстве, в строительстве и производстве бетона и бетонных изделий.

Котельная оборудуется паровыми котлами низкого, среднего и высокого давления.

Производительность Топливо Температура Давление
  • 300 кг в час
  • 500 кг в час
  • 700 кг в час
  • 1000 кг в час
  • 1600 кг в час
  • 2000 кг в час
  • 2500 кг в час
  • каменный и бурый уголь
  • дрова и крупногабаритные отходы
  • природный и сжиженный газ
  • легкое дизельное топливо
  • мазут и отработанное масло
  • 115 °С
  • 130 °С
  • 170 °С
  • 0.07 МПа (0.7 кгс/см2)
  • 0.17 МПа (1.7 кгс/см2)
  • 0.9 МПа (9 кгс/см2)

Угольные парогенераторы 1500 кг пара промышленные

Паровые котлы низкого давления серии КП в производственной котельной предназначены для выработки насыщенного пара температурой 115 °C и давлением 0,07 МПа. Агрегаты среднего давления 0,17 МПа выпускаются с температурой 130 °C. Паровые котлы высокого давления 0,9 МПа марки Е изготавливаются с температурой 170 °C. Производительность котлоагрегатов от 300 до 2500 кг в час. Генераторы низкого давления не подлежат регистрации в органах Ростехнадзора.

Устройство парового котла в котельной

Котельный блок состоит из двух обечаек разного диаметра, вставленных одна в другую и соединенных между собой фланцами. Пространство между обечайками заполняется водой. В верхней части котла устанавливается полуцилиндр - это паросборная камера в которой собирается и сепарируется пар. Обечайка меньшего диаметра (внутренняя) – это жаровая труба. В передней части жаровой трубы размещена топочная часть, в задней части - конвективный пучок труб. На паросборной камере устанавливаются предохранительные клапаны, арматура и контрольно-измерительные приборы.

В угольных моделях на фронтовой плите имеется дверка для загрузки топлива. В нижней части топочной камеры укладываются колосники, на которых происходит горение топлива. К плите крепятся воздуховод и вентилятор для подачи воздуха в топку.

В газовых и жидкотопливных агрегатах к фронтовой плите котельного блока крепится горелка для подачи топлива в топку котла через амбразуру. Котел может работать с длинофакельными горелками различных производителей – отечественными EMMA и импортными UNIGAS, BALTUR, ECOSTAR, FBR S.R.L., в качестве топлива может применяться природный газ низкого и среднего давления, а также сжиженный газ и дизельное топливо. Мазутные котлы комплектуются горелкой ILKA.

Вода подается насосом. Согласно требованиям, на цилиндрический паровой промышленный котел устанавливаются рабочий и резервный насосы. Дренажи и воздушники производят дренирование трубной системы от шлама и удаление скапливающего воздуха.

Безопасность установки обеспечивает легкоплавкая пробка. В случае понижения воды ниже аварийного уровня пробка нагревается, наполнитель пробки плавится, производится сброс давления пара, гасится пламя.

Работа парового котла в котельной

В принцип работы горизонтального парового котла положен теплообмен между дымовыми газами и водой. В топочной части котла сгорает топливо. Топка окружена водяной рубашкой. Трубный пучок соединяет верхнюю и нижнюю часть водяной рубашки. При испарении нагреваемой воды образуется пар, который собирается в верхней части котла, над которой выполнен паросборник. Затем пар по паропроводам направляется потребителю на технологические нужды. В моделях, которые используют твердое топливо, устанавливается неподвижная колосниковая решетка. Паровые котлы в котельных установках, которые работают на газе и жидком топливе оснащаются горелочными устройствами отечественного и импортного производства.

Общие требования к паровым котельным
План расстановки оборудования в паровой котельной

1. Место установки паровых котлов внутри помещений котельной должно быть отделено от остальной части помещения несгораемыми перегородками по всей высоте котла, но не ниже 2 м, с устройством дверей. Места расположения выходов и направлений открытия дверей определяются проектной организацией исходя из местных условий. Котлы-утилизаторы могут быть отделены от остальной части помещения вместе с печами или агрегатами, с которыми они связаны технологическим процессом.

2. Для обслуживающего персонала должны быть оборудованы бытовые и служебные помещения в соответствии с санитарными нормами. В здании производственной котельной не разрешается размещать бытовые и служебные помещения, которые не предназначены для персонала котельной, а также мастерские, не предназначенные для ремонта котельного оборудования.

3. На каждом этаже должно быть не менее двух выходов, расположенных в противоположных сторонах помещения.

4. Промышленная котельная с паровыми котлами должна быть обеспечена достаточным естественным светом, а в ночное время - электрическим освещением.

Подлежат обязательному оборудованию аварийным освещением следующие места:

  • фронт котлов, а также проходы между котлами, сзади котлов и над котлами;
  • щиты и пульты управления;
  • водоуказательные и измерительные приборы;
  • зольные помещения;
  • вентиляторные площадки;
  • помещения для баков и деаэраторов;
  • оборудование водоподготовки;
  • площадки и лестницы котлов;
  • насосные помещения.
Паровой газовый котел

5. Расстояние от фронта котлов или выступающих частей топки до противоположной стены блочной котельной должно составлять не менее 3 м.

Для котлов, имеющих длину колосниковой решетки (обслуживаемой с фронта) не более 1 м, а также для котлов, работающих на жидком и газообразном топливе, это расстояние может быть уменьшено до 2 м. При этом для котлов, оборудованных газовыми горелками и горелками для жидкого топлива, расстояние от выступающих частей горелок до противоположной стены должно быть не менее 1 м.

Если фронт котлов или выступающих частей топок расположен один против другого, то расстояние между ними должно составлять не менее 5 м.

Для модульных котельных, работающих на жидком или газообразном топливе, расстояние между фронтами котлов должно быть не менее 4 м, а расстояние между горелками - не менее 2 м.

Перед фронтом котлов разрешается устанавливать насосы, вентиляторы, а также хранить запасы твердого топлива не более чем для одной смены работы котлов. При этом ширина свободных проходов вдоль фронта котлов должна быть не менее 1,5 м, а установленное оборудование и топливо не должны мешать обслуживанию топок и котлов.

6. Ширина проходов между котлами, между котлом и стеной помещения должна быть не менее 1 м, ширина прохода между отдельными выступающими частями котлов, а также между этими частями и выступающими частями здания, лестницами, рабочими площадками и другими выступающими конструкциями - не менее 0,7 м.

При установке котлов, требующих бокового обслуживания, ширина проходов между котлами или между котлом и стеной помещения должна быть не менее 1,5 м.

Хранение топлива
Склад угольный

Топливные площадки для твердого топлива должны обеспечивать сохранность качества топлива, минимальные потери его при разгрузке, хранении и доставке к котлам, бесперебойную подачу топлива к действующим котлам в соответствии с их потребностью, достаточный запас топлива на случай перебоев в его доставке, обработку подаваемого в котельную топлива: дробление и грохочение, удаление из него древесины, металла и других посторонних предметов.

Топливо может храниться под навесом, на открытой площадке, либо в угольных складах, которые должны быть устроены и оборудованы так, чтобы производить быструю приемку и отпуск топлива, а также содержать ее в чистоте и порядке.

Расходные баки жидкого топлива должны устанавливаться вне котельной.

В помещениях отдельно стоящих котельных (но не над котлами), допускается устанавливать закрытые расходные баки жидкого топлива емкостью не более 5 м для мазута и 1 м - для легкого жидкого топлива.

Топливоподача и золоудаление
Транспортер ТС 2-30 для котлов

Для паровых котлов паропроизводительностью 2 т/ч и выше, работающих на твердом топливе, подача топлива в котельную и в топку котла должна быть механизирована, а для твердотопливных котельных с общим выходом шлака и золы котлов в количестве 150 кг/ч и более (независимо от производительности котлов) должно быть механизировано удаление шлака и золы.

При ручном золоудалении шлаковые и зольные бункера должны снабжаться приспособлениями для заливки золы и шлака водой в самих бункерах или вагонетках. В этом случае под бункерами обязательно должны быть устроены изолированные камеры для установки вагонеток. Камеры должны иметь плотно закрывающиеся двери, надлежащую вентиляцию и соответствующее освещение, а двери камеры - закрытое с небьющимся стеклом отверстие диаметром не менее 50 мм.

Управление затвором бункера и заливкой шлака необходимо устраивать на безопасном для обслуживания расстоянии.

При ручной отвозке золы в вагонетках нижние части зольных бункеров надо располагать на таком расстоянии от уровня пола, чтобы под затвором бункера высота была не менее 1,9 м, при механизированной откатке затвор бункера должен располагаться на 0,5 м выше вагонетки.

Вентиляция

Помещение, где размещены котлы, зольное помещение, а также все вспомогательные и бытовые помещения оборудуют естественной и искусственной вентиляцией, а также, при необходимости, отоплением.

Вентиляция производственной котельной должна обеспечивать удаление вредных газов, пыли, подачу приточного воздуха и поддержание следующих температурных условий:

  • не ниже 12 °C - зимой в зоне постоянного пребывания обслуживающего персонала;
  • 18 °С - в зоне размещения щитов;
  • 15 °С - на насосных станциях;
  • 5 °С - на закрытых разгрузочных устройствах и в помещениях без постоянного обслуживания;
  • 10 °С - в дробильных отделениях.

Водоподготовка для котельных паровых котлов
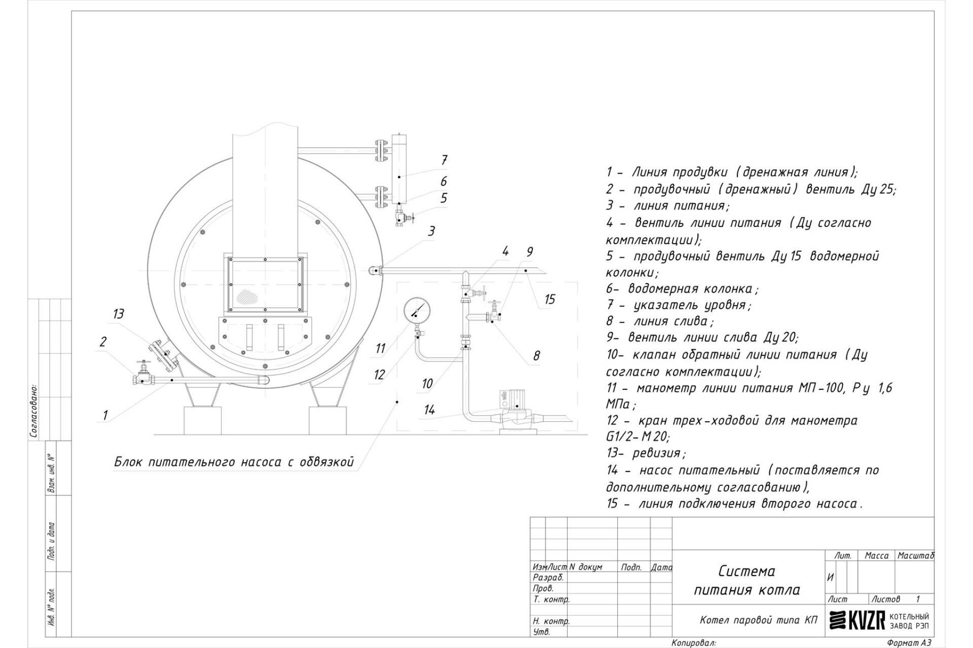
Система питания котла

Выбор способа обработки воды для питания котлов и подпитки системы отопления должен производиться специализированной организацией. Эксплуатация котлов без докотловой или внутрикотловой обработки воды запрещается.

Водный режим должен обеспечивать работу паровых котлов без повреждения их элементов вследствие отложений накипи и шлама или в результате коррозии металла.

Периодичность чистки котлоагрегатов должна быть такой, чтобы толщина отложений на наиболее теплонапряженных участках поверхностей нагрева котла к моменту его остановки на чистку не превышала 0,5 мм.

Для того чтобы купить котельную с паровыми котлами в Барнауле, можно оформить заявку в отделе сбыта по телефону 8-800-700-0643 или оформить заявку онлайн. Наши менеджеры дадут консультацию по подбору вспомогательного оборудования для выбранных вами моделей и рассчитают стоимость доставки к населенному пункту.